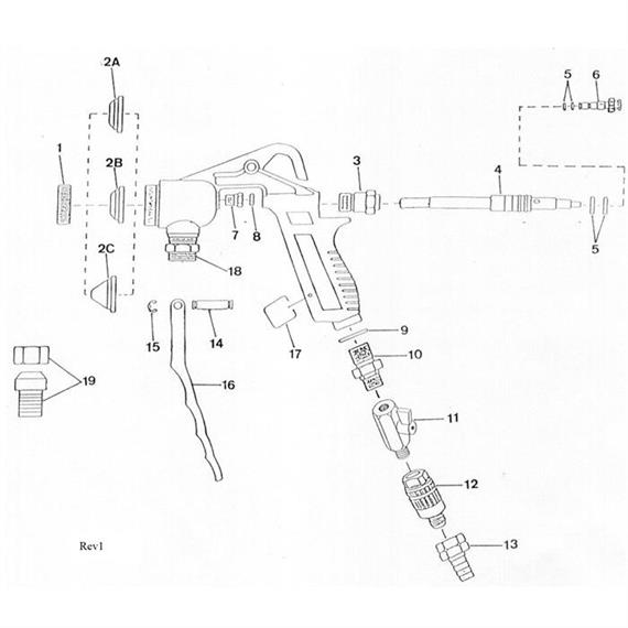
Material nozzle ø 6 mm
Item number: CMC-504046
Available in:
AT, DE, CH, EU, on request
Remember
Description
suitable for glass bead gun C 18
No. 2B on the exploded drawing