Pack
Item number: CMC-50409
Available in:
AT, DE, CH, EU, on request
Remember
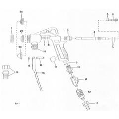
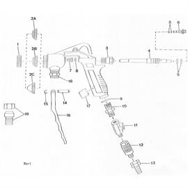
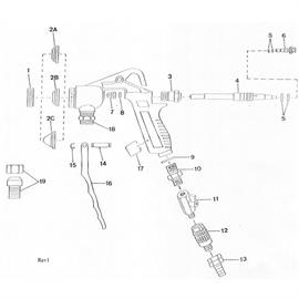
Description
suitable for glass bead gun C 18
No. 7 on the exploded view