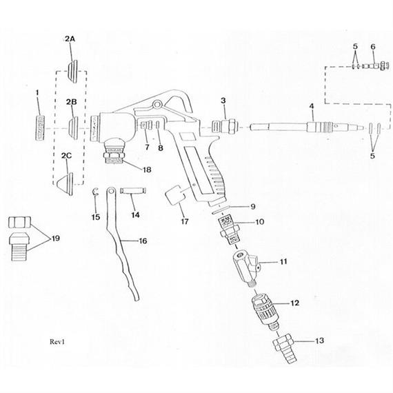
Agulha com válvula
Número do artigo: CMC-50640
Disponível em:
AT, DE, CH, EU, A pedido
Lembre-se
Descrição
adequado para a pistola de esferas de vidro C 18
N.º 4 do desenho explodido