Pakkaus

Item number: CMC-50409
Available in: AT, DE, CH, EU, on request
NumberPc.
Package: Stk. (1Pc.)

Description

sopii lasihelmipistooliin C 18

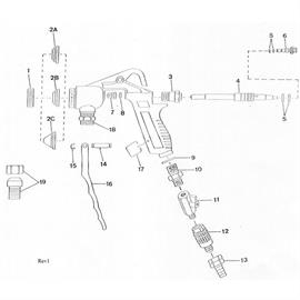
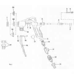
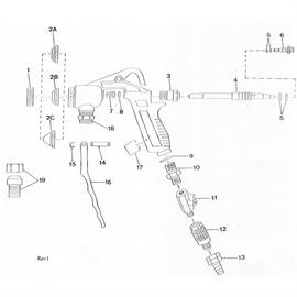
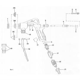
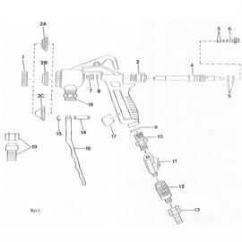
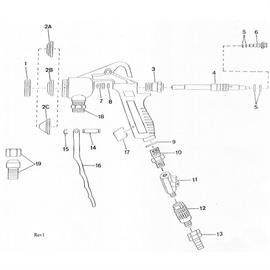
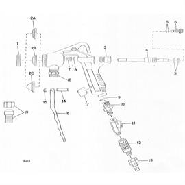
Räjähdyspiirustuksen nro 7

This could be interesting as well!

Accessories

Spare parts

Viimeksi nähty

Article has been added!

We also recommend the following articles: