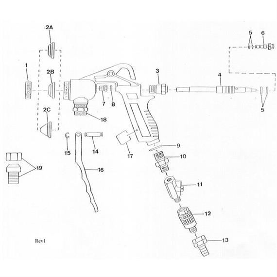
Materialdyse ø 6 mm

Item number: CMC-504046
Available in: AT, DE, CH, EU, on request
NumberPc.
Package: Stk. (1Pc.)

Beskrivelse

egnet for glassperlepistol C 18

Nr. 2B på den eksploderte tegningen

This could be interesting as well!

Accessories

Spare parts

Last Seen

Article has been added!

We also recommend the following articles: