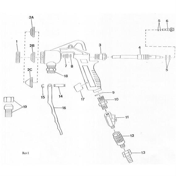
Aiguille avec valve

Art. N°: CMC-50640
Disponible en: AT, DE, CH, EU, Sur demande
NombrePc.
Confection: Stk. (1Pc.)

Description

convient au pistolet à billes de verre C 18

n° 4 sur la vue éclatée

Cela pourrait être intéressant aussi!

Accessoires

Pièces de rechange

Vu en dernier

L'article a été ajouté!

Nous recommandons aussi les accessoires suivants: