Opakowanie
Numer pozycji: CMC-50409
Dostepny w:
AT, DE, CH, EU, Na zadanie
Pamietaj, ze
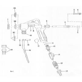
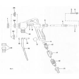
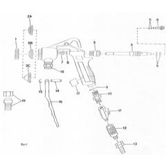
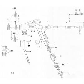
Opis
nadaje się do pistoletu do perełek szklanych C 18
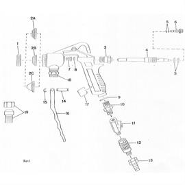
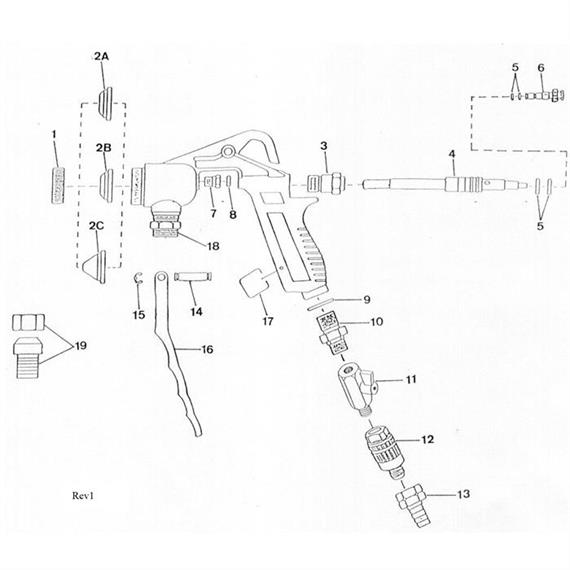
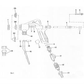
Nr 7 na rysunku złożeniowym