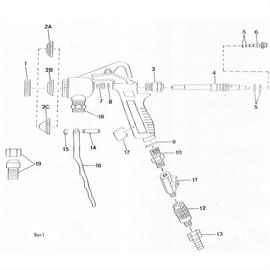
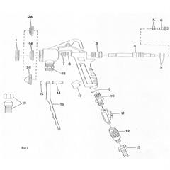
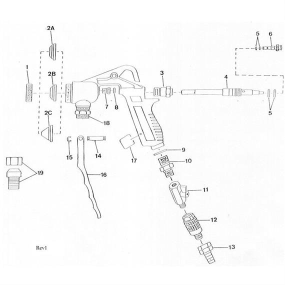
Igła z zaworem
Numer pozycji: CMC-50640
Dostepny w:
AT, DE, CH, EU, Na zadanie
Pamietaj, ze
Opis
nadaje się do pistoletu do perełek szklanych C 18
Nr 4 na rysunku złożeniowym