Csomag

Item number: CMC-50409
Available in: AT, DE, CH, EU, on request
NumberPc.
Package: Stk. (1Pc.)

Description

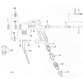
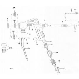
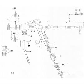
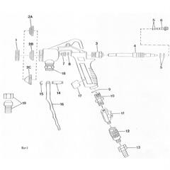
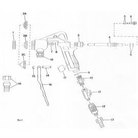
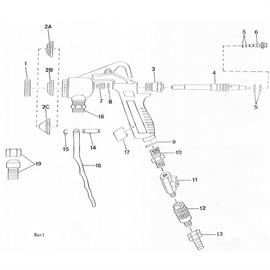
alkalmas üveggyöngy pisztolyhoz C 18

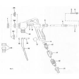
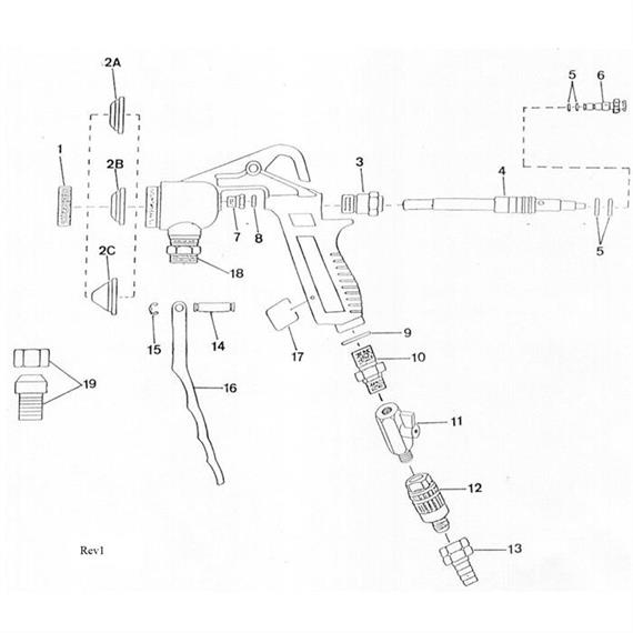
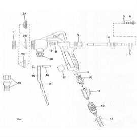
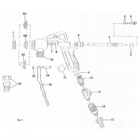
7. sz. a robbanórajzon

This could be interesting as well!

Accessories

Spare parts

Utoljára látott

Article has been added!

We also recommend the following articles: