Pakke

Item number: CMC-50409
Available in: AT, DE, CH, EU, on request
NumberPc.
Package: Stk. (1Pc.)

Description

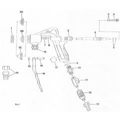
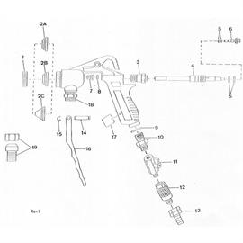
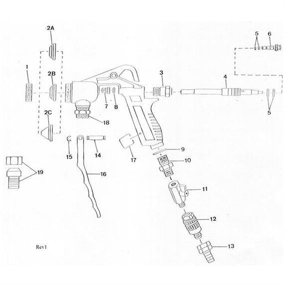
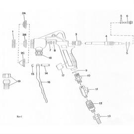
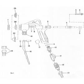
egnet til glasperlepistol C 18

Nr. 7 på den eksploderede tegning

This could be interesting as well!

Accessories

Spare parts

Sidst set

Article has been added!

We also recommend the following articles: