Materjali otsik ø 6 mm

Item number: CMC-504046
Available in: AT, DE, CH, EU, on request
NumberPc.
Package: Stk. (1Pc.)

Description

sobib klaaspüstolile C 18

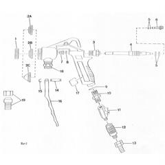
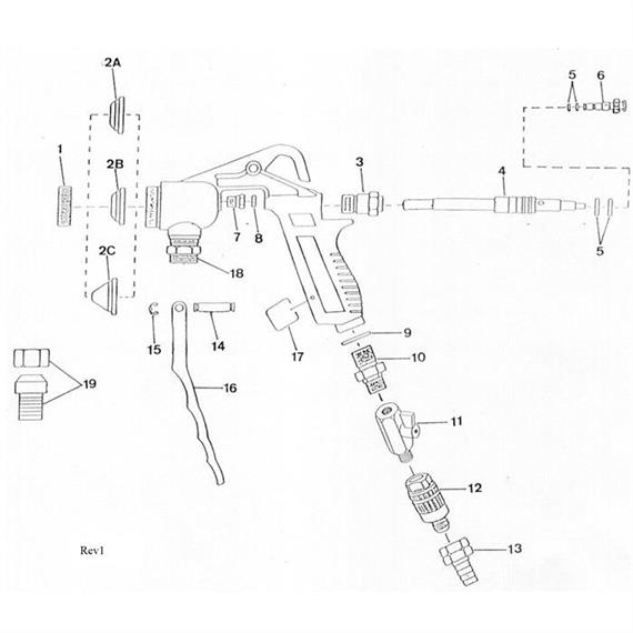
nr 2B plahvatusjoonisel

This could be interesting as well!

Accessories

Spare parts

Viimati nähtud

Article has been added!

We also recommend the following articles: