Ugello materiale ø 6 mm
Art. n.: CMC-504046
Available in:
AT, DE, CH, EU, on request
Ricorda
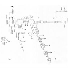
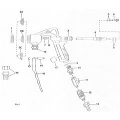
Descrizzione
adatto per la pistola sparabiglie in vetro C 18
N° 2B sul disegno esploso