Paket

Item number: CMC-50409
Available in: AT, DE, CH, EU, on request
NumberPc.
Package: Stk. (1Pc.)

Description

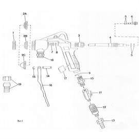
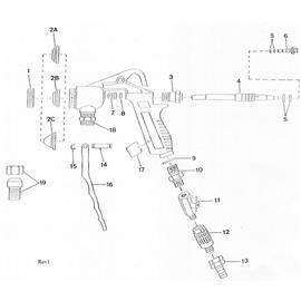
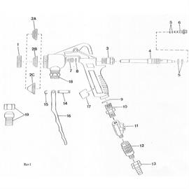
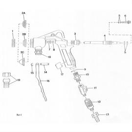
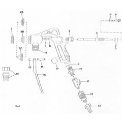
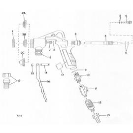
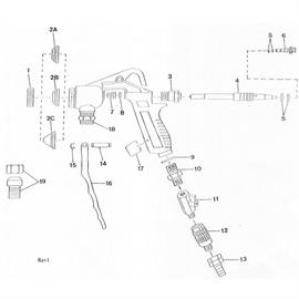
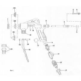
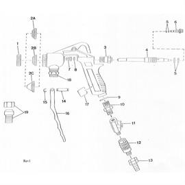
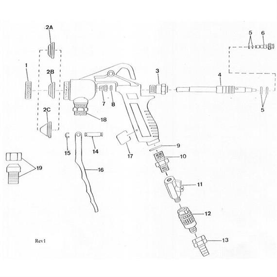
primeren za pištolo za steklene kroglice C 18

št. 7 na eksplozijski risbi

This could be interesting as well!

Accessories

Spare parts

Nazadnje videno

Article has been added!

We also recommend the following articles: