Balenie
Item number: CMC-50409
Available in:
AT, DE, CH, EU, on request
Remember
Description
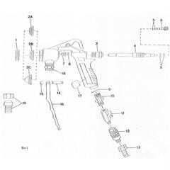
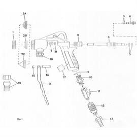
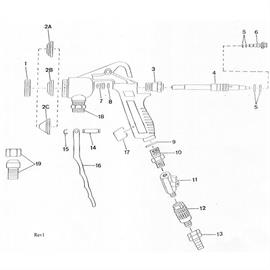
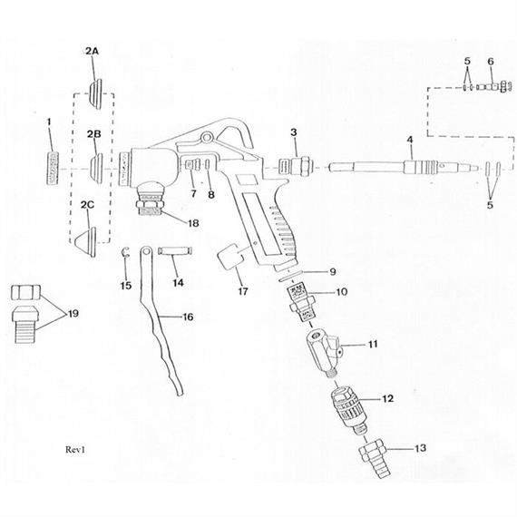
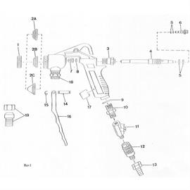
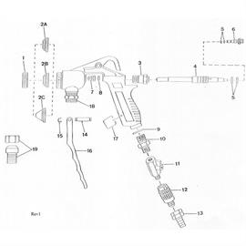
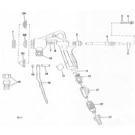
vhodné pre pištoľ na sklenené perličky C 18
č. 7 na rozobranom výkrese