Pachet
Item number: CMC-50409
Available in:
AT, DE, CH, EU, on request
Remember
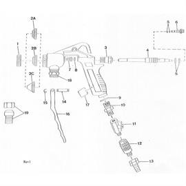
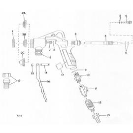
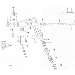
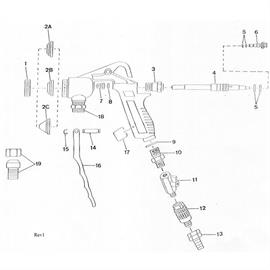
Description
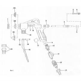
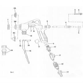
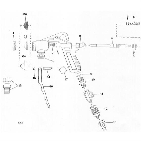
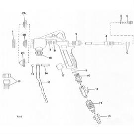
adecvat pentru pistolul de mărgele de sticlă C 18
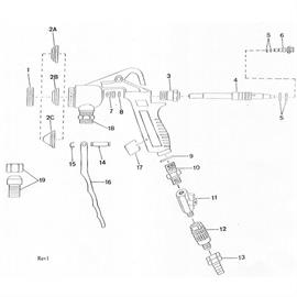
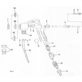
Nr. 7 pe desenul explodat