Adata ar vārstu
Item number: CMC-50640
Available in:
AT, DE, CH, EU, on request
Remember
Description
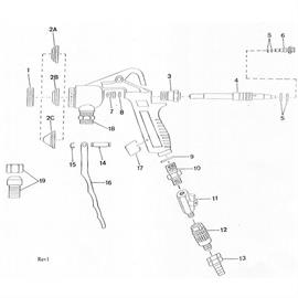
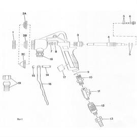
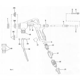
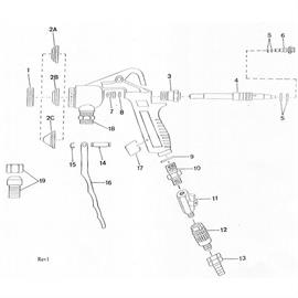
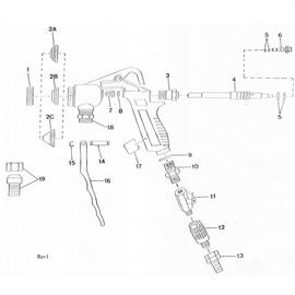
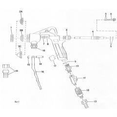
piemērots stikla lodīšu pistolei C 18
Nr. 4 rasējumā