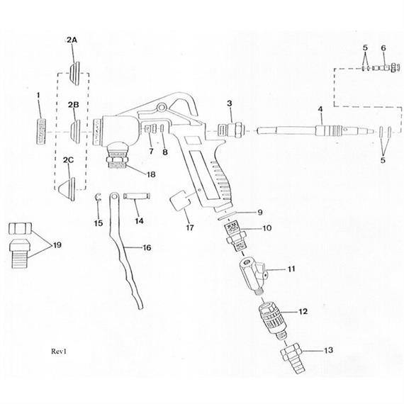
Spojovací kus
Item number: CMC-50410
Available in:
AT, DE, CH, EU, on request
Remember
Description
vhodné pro pistoli na skleněné perle C 18
č. 8 na výkresu s rozborem